×
¡IMPORTANTE! Ahora tienes el mejor precio desde una pieza ¡Aprovecha!
Acceder
Crear cuenta
Llámanos:
441-567-0007
Buscar
CATALOGO
Componentes Electronicos
Circuitos Integrados
Reguladores de Voltaje y Corriente
Conversores
Amp Operacionales y Comparadores
Temporizadores
Interfaz de Comunicacion
Especializados
Dispositivos Digitales
Multiplexores y Demultiplexores
Contadores
Controladores
Inversores
Latches
Compuertas Logicas
Registros de Corrimiento
Multivibradores
Paridad
Artimetica
Flip-Flops
Buffers
IC SMD
Amplificadores de Audio
Para Fuente Conmutada PWM SMPS
Circuitos Programables
Memorias
Microcontroladores
GALs y PALs
Memorias
Electronica de Potencia e Industrial
Relevadores Solidos SSR
IGBT
Mosfet
Resistencias de Potencia (Aluminio)
11W a 50W
1W a 10W
SCR
Darlington
Capacitores de Montaje Superficial
Ceramicos
Electroliticos
Tantalio
Transformadores
Energias Renovables
Semiconductores
Diodos
Rectificadores
Puente de Diodos
Schottky
Compensacion de Temperatura
Avalancha
Zener
Germanio
Supresor de Transitorios TVS
Varicap
TRIAC's
Transistores
BJT
Proposito General
Transistores de Potencia
Digitales
Darlington
UJT
RF
FET
MOSFET
Canal N
Canal P
Controladores
SCR's
IGBT's
Semiconductores SMD
DIAC
Convertidores DC/DC
Resistencias
1/2W
Fotoresistencias
1W
De Potencia (Aluminio)
11W a 50W
1W a 10W
2W
Alambre (5, 10 y 25W)
Precision
Montaje Superficial SMD
1206 1/8W
Opto-Electronica
LCD OLED
Optoacoplador
Receptor Infrarrojo
Matriz de LED
Display Segmentos
Fotointerruptores
Foto Diodos
Barra de LEDs
Fototransistores
Capacitores
Tantalio
Poliester
Ceramicos
Electroliticos
Monoliticos
Variables
Para Ventilador y Motor
Electroliticos no polarizados
Seguridad y Metalizados
Accesorios y Complementos
Gabinetes
Conectores y Terminales
De Red
De Audio y Video
Banco de Terminales
Terminales Atornillables
Conectores de Energía
Coaxiales
Terminales
De Computo
Conectores USB
Bases para IC
Disipadores de Calor
Cubiertas y Perillas
Separadores
Antenas
Aislantes
Bocinas
Prototipado
Gabinetes y Cajas
Limpiadores
Protoboard
Cloruro Ferrico
Soldadura
Flux y Pasta
Imanes
Brocas
Aire comprimido
Alcohol Isopropilico
Fabricacion de PCBs
Placas Fenolicas
Cables y Accesorios
Cables USB
Cable Protoboard
Cables Eléctricos
Audio
Video
Cable Dupont
HDMI
Cable de RED UTP
Multipar
Cinchos y Sujetadores
Coaxial
Alambres y otros
Cable Plano
Baterias
Cargadores
Desechables
Portapilas
Selladas
Recargables
Electromecanicos
Actuadores
Ventiladores
Motores
Relevadores
Teclados
Interruptores
Maquinita Arcade
Palanca y Balancin
Metálicos
Dip Switch
Push Button
Micro Switch
Servomotores
Buzzers
Componentes Pasivos
Potenciometros
Fusibles
Pico Fusible
Térmicos
Automotriz
Miniatura
Europeo
Americano
10X38
SMD
Varistores
Osciladores
Trimpots
Cristales
Microfonos
Inductores
Termistores
Termostatos
Encoder
Instrumentacion
Fuentes de Alimentacion
Multimetros Digitales
Para Laboratorio
Programadores
Meteorologica
Medidores para Panel
Electrica
Medición Lineal
Accesorios y Refacciones
Osciloscopios Digitales
Computo y Electrónicos
Energia
Adaptador de Corriente
Pilas y Baterias
Inversores
Reguladores y No Breaks
Refacciones
Placas Armadas
Extensiones Electricas
Gabinetes
Redes
Organización de Cables
Cables USB
Accesorios, Cables y Adaptadores
Antenas
Hogar y Oficina
Automotriz
Audio y Video
Almacenamiento
Discos Duros
Adaptadores y Lectores
Memorias USB y Micro SD
Controles Remoto
Seguridad Industrial
Timbres y Sensores de Movimiento
Audio Car
Accesorios y Cables
Kits de Instalacion
Iluminación y Audio Car
LED Automotriz
Accesorios y Cables
Kits de Instalacion
Herramientas e Insumos
Pinzas
Corte
Control Estática
Reparación de Celulares
Desoldadores
Desarmadores
Especial y Kits
Cautin
Quimicos y Adhesivos
Soldadura
Base Cautin
Taladros
Flux y Pasta
Brocas
Pistola de Calor
Seguridad Industrial
Cajas y Organizadores
Sensores y Actuadores
Optoreflectivo
Humedad y Temperatura
Movimiento
Gas
Efecto Hall
Ultrasonico
Biométricos
Inductivos
Pirolico
Sensores con Interfaz
Magnetico
Peso
Presion
Sensores SMD
Promociones
Promociones del Mes
Industrial y Potencia
Conectores Industriales
Tipo M y GX
Corriente Alterna
Valvulas y Solenoides
Interruptores y Botoneras
Protección de Circuitos
Seguridad Industrial
Fuentes de Voltaje
Iluminacion LED
LED Estandar
Tiras Rigidas de LED
LED SMD
Tiras Flexibles de LED
Modulos LED
Accesorios y Conectores
Lamparas LED
LED Pixel
Reflectores LED
Panel LED
LED Automotriz
Nuevas Tecnologias
Robotica y Kits
Accesorios
Tarjetas de desarrollo
Modulos
Tarjetas
Programadores
Convertidores de Energía Boost y Buck
Cargadores de Energía BMS
Energia
Pantallas LCD, OLED y Segmentos
Kits de Electrónica
Helices
Celdas Solares
Reproductores MP3
Biométricos
Imanes
Comunicaciones
Impresion 3D
Componentes Electronicos
Circuitos Integrados
Reguladores de Voltaje y Corriente
Conversores
Amp Operacionales y Comparadores
Temporizadores
Interfaz de Comunicacion
Especializados
Dispositivos Digitales
Multiplexores y Demultiplexores
Contadores
Controladores
Inversores
Latches
Compuertas Logicas
Registros de Corrimiento
Multivibradores
Paridad
Artimetica
Flip-Flops
Buffers
IC SMD
Amplificadores de Audio
Para Fuente Conmutada PWM SMPS
Circuitos Programables
Memorias
Microcontroladores
GALs y PALs
Memorias
Electronica de Potencia e Industrial
Relevadores Solidos SSR
IGBT
Mosfet
Resistencias de Potencia (Aluminio)
11W a 50W
1W a 10W
SCR
Darlington
Capacitores de Montaje Superficial
Ceramicos
Electroliticos
Tantalio
Transformadores
Energias Renovables
Semiconductores
Diodos
Rectificadores
Puente de Diodos
Schottky
Compensacion de Temperatura
Avalancha
Zener
Germanio
Supresor de Transitorios TVS
Varicap
TRIAC's
Transistores
BJT
Proposito General
Transistores de Potencia
Digitales
Darlington
UJT
RF
FET
MOSFET
Canal N
Canal P
Controladores
SCR's
IGBT's
Semiconductores SMD
DIAC
Convertidores DC/DC
Resistencias
1/2W
Fotoresistencias
1W
De Potencia (Aluminio)
11W a 50W
1W a 10W
2W
Alambre (5, 10 y 25W)
Precision
Montaje Superficial SMD
1206 1/8W
Opto-Electronica
LCD OLED
Optoacoplador
Receptor Infrarrojo
Matriz de LED
Display Segmentos
Fotointerruptores
Foto Diodos
Barra de LEDs
Fototransistores
Capacitores
Tantalio
Poliester
Ceramicos
Electroliticos
Monoliticos
Variables
Para Ventilador y Motor
Electroliticos no polarizados
Seguridad y Metalizados
Accesorios y Complementos
Gabinetes
Conectores y Terminales
De Red
De Audio y Video
Banco de Terminales
Terminales Atornillables
Conectores de Energía
Coaxiales
Terminales
De Computo
Conectores USB
Bases para IC
Disipadores de Calor
Cubiertas y Perillas
Separadores
Antenas
Aislantes
Bocinas
Prototipado
Gabinetes y Cajas
Limpiadores
Protoboard
Cloruro Ferrico
Soldadura
Flux y Pasta
Imanes
Brocas
Aire comprimido
Alcohol Isopropilico
Fabricacion de PCBs
Placas Fenolicas
Cables y Accesorios
Cables USB
Cable Protoboard
Cables Eléctricos
Audio
Video
Cable Dupont
HDMI
Cable de RED UTP
Multipar
Cinchos y Sujetadores
Coaxial
Alambres y otros
Cable Plano
Baterias
Cargadores
Desechables
Portapilas
Selladas
Recargables
Electromecanicos
Actuadores
Ventiladores
Motores
Relevadores
Teclados
Interruptores
Maquinita Arcade
Palanca y Balancin
Metálicos
Dip Switch
Push Button
Micro Switch
Servomotores
Buzzers
Componentes Pasivos
Potenciometros
Fusibles
Pico Fusible
Térmicos
Automotriz
Miniatura
Europeo
Americano
10X38
SMD
Varistores
Osciladores
Trimpots
Cristales
Microfonos
Inductores
Termistores
Termostatos
Encoder
Herramientas e Insumos
Pinzas
Corte
Control Estática
Reparación de Celulares
Desoldadores
Desarmadores
Especial y Kits
Cautin
Quimicos y Adhesivos
Soldadura
Base Cautin
Taladros
Flux y Pasta
Brocas
Pistola de Calor
Seguridad Industrial
Cajas y Organizadores
Nuevas Tecnologías
Inicio
CATALOGO
Componentes Electronicos
Electromecanicos
Interruptores
Palanca y Balancin
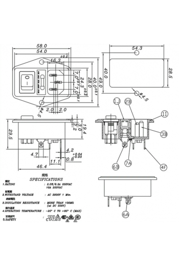
705-340 Tomacorriente Interlock con Interruptor , Piloto y Porta Fusible, Atornillable, 120-250VAC 10A
705-340 Tomacorriente Interlock con Interruptor , Piloto y Porta Fusible, Atornillable, 120-250VAC 10A
attach_money
El mejor precio desde una pieza.
exit_to_app
Accede a tu cuenta para consultar precios y existencias
Descripción
Detalles de Producto
Tomacorriente Interlock con Interruptor y Porta Fusible, Atornillable, 120-250VAC 10A
Marca
DIMCE MEX
Referencia
705-340
Ficha de datos
Recomendado para nuevos diseños:
SI
Referencias Específicas